access: site.login: true admin.login: true
Table of Contents
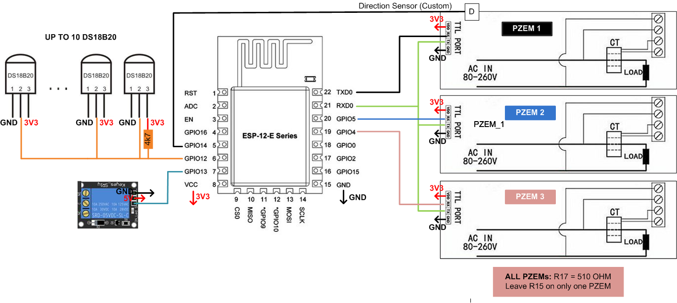
eNode is a device based on ESP8266 and PZEM-004 that measures energy and/or temperature and delivers data to a MQTT broker and/or Emoncms. eNode is modular meaning you can start with a simple energy module a go up to a true 3-phase energy monitoring system, along with temperature detecton of up to 10 digital temperature sensors. Data is delivered through WiFi and configuration is done in it’s own web page.
Energy meter:
Temperature meter:
Relay:
ESP8266:

| Qty | Item | Function |
|---|---|---|
| 1 | wemos D1 mini | node |
| 1 | PSU 230VAC to 5VDC | node |
| 1 | DC/DC 5V to 3.3VDC | node |
| 3 | PZEM-004 | Energy |
| 3 | R=510OHM | Energy |
| 10 | DS18B20 | Temperature |
| 1 | R=4.7K OHM | Temperature |
| 1 | D1 relay shield | Relay |
WebUpdater example sketch to the ESP8266/bin folder to the ESP8266SSID:APRENODE / PASSWORD:12345678 / http://1.1.1.1local WiFi settings, enode name and reboothttp://<eNode name>.local or http://<eNode IP address>MQTT broker and/or Emoncms account






Warning: this is a compact build with no isolation between the ESP8266 and the mains!

Donate if you enjoy the firmware and would like to see this project develop.